25 χρόνια κατασκευαστής βιομηχανικών αντιεκρηκτικών προϊόντων

μεγάλες ασημένιες βιομηχανικές δεξαμενές και αγωγοί αποθήκευσης καυσίμων ή χημικών ουσιών

Διάγραμμα εγκατάστασης συστήματος

Διάγραμμα εγκατάστασης συστήματος αντιεκρηκτικής προστασίας

Πολλαπλές περιοχές προϊόντων στην παρακάτω εικόνα είναι κλικάσιμος. Κάνοντας κλικ πάνω τους θα εμφανιστούν λεπτομερείς πληροφορίες σχετικά με τα αντίστοιχα προϊόντα.

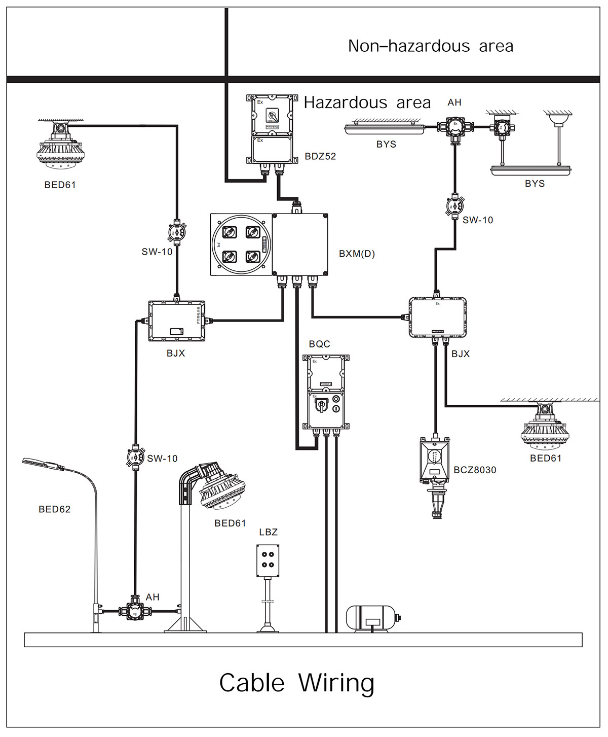
Διάγραμμα εγκατάστασης για τη δρομολόγηση καλωδίων σε συστήματα πεδίου σε επικίνδυνες τοποθεσίες

Αυτό το διάγραμμα απεικονίζει ένα παράδειγμα εγκατάστασης που προσομοιώνει την καλωδίωση επί τόπου σύμφωνα με τα πρότυπα IEC 60079, NEC 505 και GB/T 3836, και χρησιμεύει ως αναφορά για την επιλογή και την εγκατάσταση από τον χρήστη.

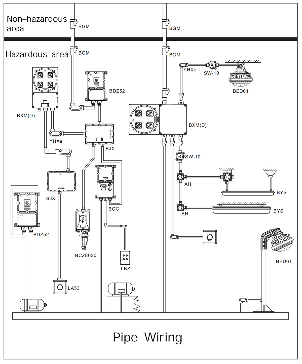
Διάγραμμα εγκατάστασης για τη δρομολόγηση καλωδίων σε συστήματα πεδίου σε επικίνδυνες τοποθεσίες

Αυτό το διάγραμμα απεικονίζει ένα παράδειγμα εγκατάστασης που προσομοιώνει τη χρήση καλωδίων από χαλύβδινο σωλήνα στον χώρο του χρήστη, σύμφωνα με τις απαιτήσεις των προτύπων IEC 60079, NEC 505 και GB/T 3836. Παρέχεται ως αναφορά για τον χρήστη κατά την επιλογή και την εγκατάσταση του προϊόντος.

Πάρτε μια προσφορά ?